|
|
Ohio Medical Oil-Less Reciprocating Piston Air Compressors
This line of reciprocating piston air compressors from Ohio Medical consists of a number of configurations ideal for medical, surgical, and laboratory applications.
Features:
- Oil-Less Air Compressors
- NFPA 99 Compliant
- UL-listed Electorical Control Panel
- Available in Simplex, Duplux, Triplex and Quadruplex
- Tank, Base and Stack-Mounted Configurations Availble
- Medical and Labaoratory Configurations
- Warranty: 30 / 24 Months
Principles of Operation:
With the down stroke of the piston, air is drawn through an intake valve in the head of the compressor and into the cylinder. At the bottom of the stroke the intake valve closes and air is trapped in the cylinder. The air is then compressed in the cylinder and pushed through the discharge valve on the up stroke of the piston. Total compression, from atmospheric pressure to the final discharge pressure, is accomplished in one stroke of the piston.
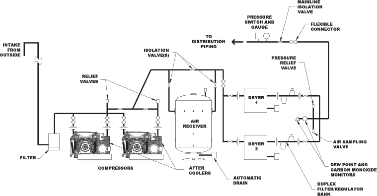
 Typical Layout of a Medical / Surgical Air System with Dessicant Dryers (click to enlarge)
More information about complete reciprocating piston air systems can be found on our air systems page.
 Ohio Medical Air System, Base Configuration
 Ohio Medical Air System, Stack Configuration
|
|
Hours of Operation:
Monday – Friday, 8:30 a.m. – 5 p.m. EST
|
| |